博彩网站

长者助手
手机版
设为首页|加入收藏
首页 > 专题 > 广东加强旅游服务质量和信用体系建设 > 公共服务

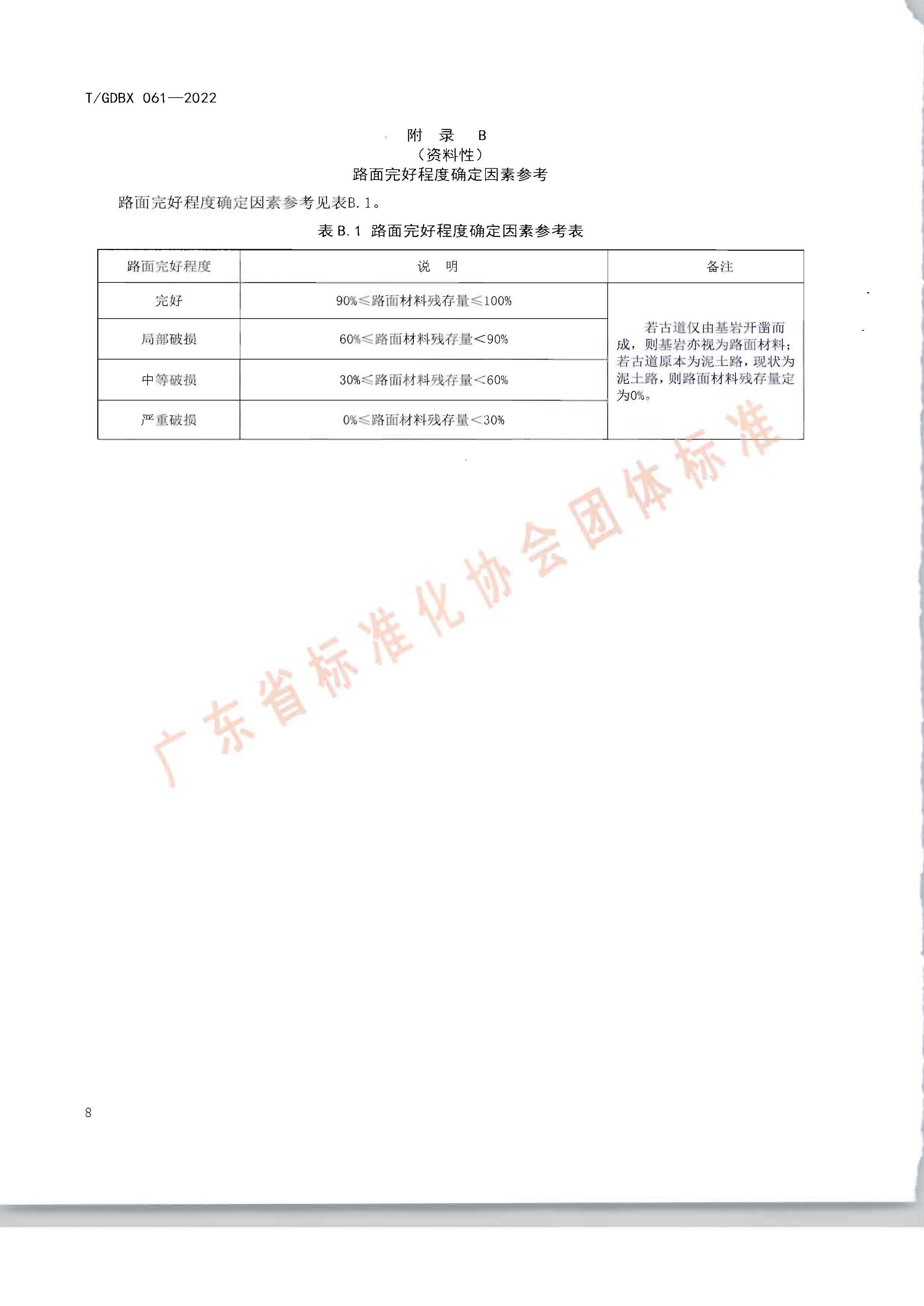
南粤古驿道调查规范

时间 : 2023-11-29 11:09 来源 : 本网 【字体: 【打印】
分享到:

南粤古驿道调查规范_页面_01.jpg南粤古驿道调查规范_页面_02.jpg南粤古驿道调查规范_页面_03.jpg南粤古驿道调查规范_页面_04.jpg南粤古驿道调查规范_页面_05.jpg南粤古驿道调查规范_页面_06.jpg南粤古驿道调查规范_页面_07.jpg南粤古驿道调查规范_页面_08.jpg南粤古驿道调查规范_页面_09.jpg南粤古驿道调查规范_页面_10.jpg南粤古驿道调查规范_页面_11.jpg南粤古驿道调查规范_页面_12.jpg南粤古驿道调查规范_页面_13.jpg南粤古驿道调查规范_页面_14.jpg南粤古驿道调查规范_页面_15.jpg南粤古驿道调查规范_页面_16.jpg南粤古驿道调查规范_页面_17.jpg南粤古驿道调查规范_页面_18.jpg南粤古驿道调查规范_页面_19.jpg南粤古驿道调查规范_页面_20.jpg南粤古驿道调查规范_页面_21.jpg南粤古驿道调查规范_页面_22.jpg南粤古驿道调查规范_页面_23.jpg南粤古驿道调查规范_页面_24.jpg南粤古驿道调查规范_页面_25.jpg南粤古驿道调查规范_页面_26.jpg南粤古驿道调查规范_页面_27.jpg南粤古驿道调查规范_页面_28.jpg南粤古驿道调查规范_页面_29.jpg南粤古驿道调查规范_页面_30.jpg南粤古驿道调查规范_页面_31.jpg